TC-ID 710 E; EX; BR; 127V

(Abbildung kann vom Original abweichen)

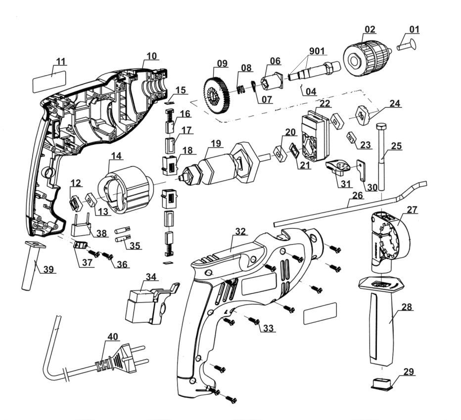
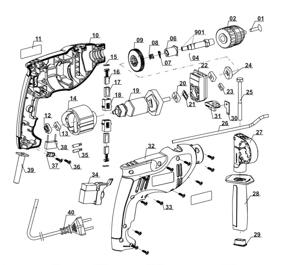
Schlagbohrmaschine

TC-ID 710 E; EX; BR; 127V

Artikelnummer: 4259729
EAN-Nummer: 4006825638011
Marke: Einhell Classic
Identnummer
Bitte wählen Sie die passende Identnummer Ihres Gerätes

Bitte beachten Sie, dass Sie oben zuerst Ihre Identnummer auswählen müssen, um die Listenansicht und die Explosionszeichnung zu Ihrem Produkt zu sehen. Ihre Identnummer finden Sie am besten auf dem Typenschild neben der Artikelnummer oder in Ihrer Betriebsanleitung.

Spezifikationen

Zahlen, Daten und Fakten für Schlagbohrmaschine TC-ID 710 E; EX; BR; 127V: Hier finden Sie die detaillierten technischen Daten, sowie genaue Angaben zu Größe, Gewicht und Verpackung dieses Produkts.

Technische Daten
Netzanschluss 127 V | 60 Hz
Leistung 710 W
Anzahl Gänge 1
Leerlaufdrehzahl (Gang 1) 0 - 2700 min^-1
Schlagzahl (Gang 1) 0 - 43200 min^-1
Bohrfutter 1.5 mm - 13 mm
Bohrleistung in Holz 25 mm
Bohrleistung in Metall 10 mm
Bohrleistung in Beton 13 mm

Bilder


 
 
 

Unser Service Center in Deutschland

Wenden Sie Sich im Falle von Fragen zu Produkten oder zum Service von iSC an uns - wir helfen Ihnen gerne weiter.

In Deutschland und Österreich erhalten Sie Unterstützung unter folgender Nummer, andere Kontaktdaten finden Sie über unsere Übersichtsseite.

 

Montag - Freitag von 8:00 Uhr - 18:00 Uhr

Samstag (Sommeröffnungszeit 01.04. - 30.09.):

von 8:00 Uhr - 12:00 Uhr

Tel.: +49 9951 959 3019

Alternativ erreichen Sie uns auch per E-Mail oder über unser Kontaktformular

Warenkorb anzeigen
Erfolgreich Warenkorb anzeigen

Artikel wurde dem Warenkorb hinzugefügt

Fehler

Es ist ein Fehler aufgetreten